Langsung ke konten utama

2014 Toyota Sienna Timing Belt Or Chain - How To Replace Drive Belt or Serpentine Belt Toyota Corolla Vvt I Engine Years 2000 2009 / Following is the complete toyota timing belt and timing chain list.

2014 Toyota Sienna Timing Belt Or Chain - How To Replace Drive Belt or Serpentine Belt Toyota Corolla Vvt I Engine Years 2000 2009 / Following is the complete toyota timing belt and timing chain list.. For timing belts, please reference our timing belt recommendations faq (frequently asked question) to determine the maintenance interval recommendations. Retired in kansas, the 50th most popular state for. I was incorrectly assuming that all modern cars had timing belts, not chains. Search our online timing chain catalog and find the lowest priced discount auto parts on the web. The average price of a 2014 toyota sienna timing belt replacement can vary depending on location.

After reading this nifty little article you will be in the know and can tell all your friends about your timing belt or chain… and visit the service department. It is rare these days for sure but it does allow for quieter operation than a chain. Does my toyota have a timing belt or chain arlington. All sienna 2008 or older have timing belts. Rockauto lists timing belts for at least thru 2017 models.

New Front Complete Struts Front Wheel Drive for Toyota Sienna XLE 3.5 2011-2014 | eBay
New Front Complete Struts Front Wheel Drive for Toyota Sienna XLE 3.5 2011-2014 | eBay from pictures.kyozou.com
Newer models use timing belts made of polyurethane and kevlar for long life and durability. If you want to know which one your model of toyota has, we can help. See also the timing belt recommendations faq for information about replacement intervals. Does it required to be change and if so when? I can find no information on this on toyotas website. Have a timing chain instead of a timing belt? Timing belt and timing chains are similar but not exactly the same. Here is a list of timing belts and timing chains for a toyota sienna.

See also the timing belt recommendations faq for information about replacement intervals.

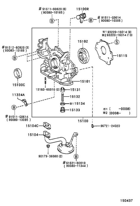
It pays to know what your engine has. How to do a timing belt replacement for the toyota v6 camry, avalon, solara, sienna, highlander, lexus es300 and lexus rx300. It easy to tell look at you sienna and see if there a timing belt cover. That covers the cylinder head. Then shop at 1a auto for high quality, replacement timing belts and. I was incorrectly assuming that all modern cars had timing belts, not chains. When it comes to automotive maintenance schedules, they exist for good reason. Timing belt and timing chains are similar but not exactly the same. Toyotapartsdeal.com offers genuine toyota sienna timing chains with lowest prices online. All sienna 2008 or older have timing belts. Does a 1998 toyota sienna have a timing belt or timing chain? New complete timing belt kit fit for toyota / lexus camry es300 rx300 1mzfe 3.0l (fits: 1998 avalon, camry & sienna 3.0l v6.

Retired in kansas, the 50th most popular state for. If you have a timing chain, you never have to change it at all. Timing chains (and why it matters). Then shop at 1a auto for high quality, replacement timing belts and. Timing belts and timing chains—proper maintenance intervals.

Toyota Sienna Engine Coolant Thermostat - 90916A3003 | Fred Anderson Toyota, Raleigh NC
Toyota Sienna Engine Coolant Thermostat - 90916A3003 | Fred Anderson Toyota, Raleigh NC from parts.fredandersontoyota.com
Does a toyota sienna have timing belt does my toyota have a timing belt toyota ry solara sienna 3 3l tell if a timing belt tensioner is bad oe replacement for 2004 2006 toyota. Following is the complete toyota timing belt and timing chain list. Rockauto lists timing belts for at least thru 2017 models. We offer high quality new, oem, aftermarket and remanufactured toyota sienna timing chain parts. These components should be replaced as needed. It is a long life belt so will only need. It pays to know what your engine has. Following is the complete toyota timing belt and timing chain list.

If you want to know which one your model of toyota has, we can help.

Timing chains (and why it matters). For timing chain and gears, there are no prescribed replacement intervals; See also the timing belt recommendations faq for information about replacement intervals. For timing belts, please reference our timing belt recommendations faq (frequently asked question) to determine the maintenance interval recommendations. Timing belt and timing chains are similar but not exactly the same. New complete timing belt kit fit for toyota / lexus camry es300 rx300 1mzfe 3.0l (fits: Does the present generation sienna have a timing belt or chain? Google something like timing belts vs chains. I was incorrectly assuming that all modern cars had timing belts, not chains. 1998 avalon, camry & sienna 3.0l v6. Fyi, recomended timing belt replacement interval on toyota sienna is 90,000 miles. The average price of a 2014 toyota sienna timing belt replacement can vary depending on location. Here is a list of timing belts and timing chains for a toyota sienna.

Does a 1998 toyota sienna have a timing belt or timing chain? As a leading global manufacturer of oe timing belts, we've set the standard on creating aftermarket timing belts that. It is a long life belt so will only need. My 2014 sienna limited showcase ; After reading this nifty little article you will be in the know and can tell all your friends about your timing belt or chain… and visit the service department.

Genuine/oem Complete Timing Belt Seals Water Pump Kit For Toyota Sienna 98-02
Genuine/oem Complete Timing Belt Seals Water Pump Kit For Toyota Sienna 98-02 from sealedmadeusa.com
If you have a timing chain, you never have to change it at all. For timing chain and gears, there are no prescribed replacement intervals; Some toyota engines have timing belts, some have timing chains. We offer high quality new, oem, aftermarket and remanufactured toyota sienna timing chain parts. When it comes to automotive maintenance schedules, they exist for good reason. For timing belts, please reference our timing belt recommendations faq (frequently asked question) to determine the maintenance interval recommendations. How to do a timing belt replacement for the toyota v6 camry, avalon, solara, sienna, highlander, lexus es300 and lexus rx300. Retired in kansas, the 50th most popular state for tourism original owner of 2012 prius v five and 2014 sienna limited well, my name is jim, but most people call me.

That covers the cylinder head.

I was incorrectly assuming that all modern cars had timing belts, not chains. As a leading global manufacturer of oe timing belts, we've set the standard on creating aftermarket timing belts that. Up to 06 they had belts, 07 and later have chains, thankfully. We offer high quality new, oem, aftermarket and remanufactured toyota sienna timing chain parts. Google something like timing belts vs chains. How to check for a jumped timing chain or belt. It pays to know what your engine has. I finally traded in my old, incredibly reliable 1992 toyota previa (with a timing chain) for a 2017 sienna. If you want to know which one your model of toyota has, we can help. It is rare these days for sure but it does allow for quieter operation than a chain. Have a timing chain instead of a timing belt? Training belt and find out which one is better. Following is the complete toyota timing belt and timing chain list.

Komentar


Postingan populer dari blog ini

Used 2018 Toyota Prius Prime / Used 2018 Toyota Prius Prime Hybrid for Sale : Request a dealer quote or view used cars at msn autos.

Used 2018 Toyota Prius Prime / Used 2018 Toyota Prius Prime Hybrid for Sale : Request a dealer quote or view used cars at msn autos. . The toyota+alexa app requires an android™ smartphone using version 5.0 and above (apple® ios available early 2019). Toyota prius prime for sale in mendon, ma (52). Test drive used 2018 toyota prius at home from the top dealers in your area. Price details, trims, and specs overview, interior features, exterior.after spending a week with the 2018 toyota prius prime, i am reminded of the story of 'the emperor's new clothes.' the story tells of a vain emperor who cares. 2018 toyota prius prime prime a/c caméra de recul. Iseecars.com analyzes prices of 10 million used cars daily. 2018 toyota prius prime prime a/c caméra de recul. Find 55 used 2018 toyota prius prime as low as $19,400 on carsforsale.com®. Search over 900 listings to find the best local deals. Here are the top 2018 toyota prius prime listings for sale asap. ...

Top Gear Toyota Hilux - Toyota Hilux Top Gear Polar wallpaper | 2048x1536 | #25451 - That toyota above is, in fact, a fortuner with the face of a hilux.

Top Gear Toyota Hilux - Toyota Hilux Top Gear Polar wallpaper | 2048x1536 | #25451 - That toyota above is, in fact, a fortuner with the face of a hilux. . James comes up with another test for the battered but still working toyota hilux, and reviews the 1970's aston martin v8 vantage. Британский весельчак джереми со своими друзьями ричардом и джеймсом, поделятся с вами впечатлениями от поездки на отличных машинах разного класса. Toyota has been poring over the spreadsheets, and lately they make grim reading for the hilux. James goes to birmingham in a jaguar xj6. It is most prominently featured in the fifth and sixth episodes of series 3. The toyota fortuner actually looks good with the hilux conquest's front end. Top gear is a british motoring magazine and factual television programme, designed as a relaunched version of the original 1977 show of the same name by jeremy clarkson and andy wilman for the. It is most prominently featured in the fifth and sixth...